关于启用忻原大道交通电子技术监控设备的通告
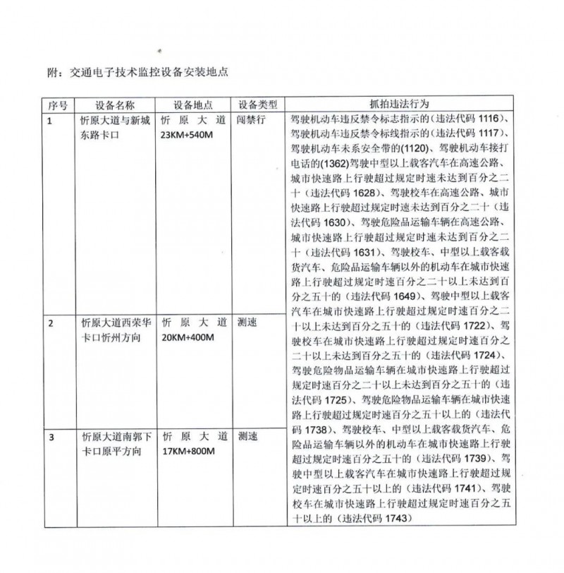
为了预防和减少交通事故的发生,努力提高道路交通安全指数,为全市创造安全、畅通、有序的道路交通环境,根据《中华人民共和国道路交通安全法》、《中华人民共和国道路交通安全法实施条例》、《山西省实施〈中华人民共和国道路交通安全法〉办法》、《道路交通安全违法行为处理程序规定》和《中华人民共和国行政处罚法》等法律法规关于“行政机关依照法律、行政法规规定利用电子技术监控设备收集、固定违法事实的,应当经过法制和技术审核,确保电子技术监控设备符合标准、设置合理、标志明显,设置地点应当向社会公布”的规定,原平市城区基础设施和市政重点工程指挥部和原平市公安局交通警察大队整体规划建设了 3处交通电子技术监控设备 ,经调试、验收符合《道路交通安全违法行为图像取证技术规范》、《道路交通安全违法行为视频取证设备技术规范》和《违法停车自动记录系统通用技术条件》,目前运行正常。具备采集驾驶机动车违反禁令标志指示的(违法代码 1116)、驾驶机动车违反禁令标线指示的(违法代码 1117)、驾驶机动车未系安全带的(1120)、驾驶机动车接打电话的(1362)、”驾驶中型以上载客汽车在高速公路、城市快速路上行驶超过规定时速未达到百分之二十(违法代码 1628)、驾驶校车在高速公路、城市快速路上行驶超过规定时速未达到百分之二十(违法代码 1630)、驾驶危险品运输车辆在高速公路、城市快速路上行驶超过规定时速未达到百分之二十(违法代码 1631)、驾驶校车、中型以上载客载货汽车、危险品运输车辆以外的机动车在城市快速路上行驶超过规定时速百分之二十以上未达到百分之五十的(违法代码 1649)、驾驶中型以上载客汽车在城市快速路上行驶超过规定时速百分之二十以上未达到百分之五十的(违法代码 1722)、驾驶校车在城市快速路上行驶超过规定时速百分之二十以上未达到百分之五十的(违法代码 1724)、驾驶危险物品运输车辆在城市快速路上行驶超过规定时速百分之二十以上未达到百分之五十的(违法代码 1725)、驾驶危险物品运输车辆在城市快速路上行驶超过规定时速百分之五十以上的(违法代码 1738)、驾驶校车、中型以上载客载货汽车、危险品运输车辆以外的机动车在城市快速路上行驶超过规定时速百分之五十的(违法代码 1739)、驾驶中型以上载客汽车在城市快速路上行驶超过规定时速百分之五十以上的(违法代码 1741)、驾驶校车在城市快速路上行驶超过规定时速百分之五十以上的(违法代码 1743)等违法行为的功能,现向社会进行集中公示。公示期为五日。
以上交通电子技术监控设备自本公示期期满后,开始按照《中华人民共和国道路交通安全法》第九十条、《山西省实施办法》第七十四条第三项规定对上述违法行为进行抓拍处罚。
请广大驾驶人要自觉遵守交通法律法规,文明行车。
特此通告
原平市公安局交通警察大队
2023年7月3日
附:交通电子技术监控设备安装地点



来源:原平交警






















































